• 首页
  • 摄像
  • 传感器
  • 音频
  • 电源
  • 充电
    • 有线充电
    • 无线充电
    • 充电头
    • 数据线
    • 电池
  • 接口
    • Type-C
    • SIM卡
  • 防护
  • 器件
    • 平台
    • 存储
    • 屏幕
  • 射频
    • 天线
  • PCB
  • 结构
  • 维修
  • 仪表
  • 电路图
EMI
电源

Buck输入电容布局探讨

韩非者,韩之诸公子也。喜刑名法术之学,而其归本於黄老。非为人口吃,不能道说,而善著书。与李斯俱事荀卿,斯自以为不如非......人或传其书至秦。秦王见孤愤、五蠹之书,曰:“嗟乎,寡人得见此人与之游,死不恨矣!”   -  《史记·老子韩非列传》 韩非子主张中央集权和严格法治,以消除贵族割据、民变,确保政令畅通,为军事扩张提供必要环境。虽然受李斯陷害而身死秦狱,但他却是嬴政精神上的导师,尔后秦王用其思想富国强兵、吞灭六国、席卷天下、定于一统。 而在Buck电路的设计中,输入电容Cin就像韩非子,为秦王统一六国提供方法…

2025年12月3日 夜枭 阅读全文
电源

午夜凶铃,Buck的振铃原理与对策

Buck的振铃(Ring)仿佛是贞子的凶铃在午夜徘徊,在未展示最真的内心之前,不甘心就此沉溺废井,沉沦在996的浪潮中。 虚伪吞噬灵魂,在辽阔天地面前,屈辱时不时涌上心头。过去那些,牺牲自己主见去苟且,委屈自己去逢迎。迎合得了周围,却终究骗不过自己的内心。 在同步Buck变换器中,MOS开通与关断瞬间,由于各种寄生电感、电容参数的原因,开关节点会产生高频振荡。该振荡会增加损耗、加重EMI干扰,甚至超出芯片的耐压值而击穿芯片。 深入理解各种寄生参数,知道其危害性,并能找到妥协的手法,是一个工程师成熟的表现,下面简单探…

2025年10月22日 夜枭 阅读全文
有线充电

由常规Buck到3 Level Buck,3 Level Buck原理详解

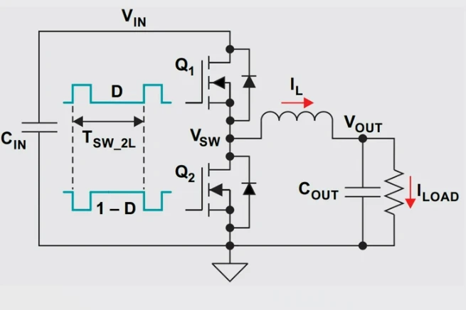
常规Buck充电IC的效率仍不够高,带来发热和充电慢的问题。因此高通在PM8350B上集成了3 level buck,提升了充电芯片的效率。3 level buck拓扑降低了电感纹波电流,可以使用感值更小的电感,这意味着DCR容易做小,从而提升效率。保守估计大约有3~4个百分点的收益。 要理解三电平Buck,需要从传统的Buck,即两电平Buck说起。 传统的Buck拓扑结构很简单,一个上管(开关管)、一个下管(同步整流管)、一个电感。 上管导通时,开关节点电压Vsw = Vin;下管导通时,Vsw = 0。 所以…

2025年10月12日 夜枭 阅读全文

夜枭

夜枭,暗夜里的精灵,雅典娜在凡间的使者,不瞩目于明亮的日光,在意的是万物的启迪。

最新 热点 随机
最新 热点 随机
西西弗斯,线性马达的原理与驱动简介 过气网红,手机中的转子马达简介 手机麦克风结构腔体设计简介 鼓声隆隆,以威天下,手机屏幕发声技术简介 安卓手机A-C充电线鉴权机理简介 高通平台手机EDL深刷线自制机理
手机充电协议之MTK PE+2.0协议 高通平台手机EDL深刷线自制机理 手机侧键防护设计简介 手机PCB的EMI/EMC设计 四耳怪,手机四麦克风架构和功能简介 人是万物的尺度,手机充电安全可靠性简述
标签聚合
模拟音频 快充 肖特基二极管 TVS Type-C 电荷泵 Type-C接口 LDO

COPYRIGHT © 2025 关于手机的一切 ALL RIGHTS RESERVED.

粤ICP备2025461592号-1

粤公网安备44133002100310号