对于模拟耳机来说,音频文件经手机内部codec中的DAC解码和耳放放大后,输出的是连续变化的模拟电压,然后经由音频开关和Type-C口传送给模拟耳机,即可发声了。
而数字耳机则不同,音乐发烧友们对音质极为挑剔,手机自带的codec因为性价比原因,有点像地摊货;且模拟信号在传输中易受干扰,多多少少导致音质损失。为了追求极致的音质,像自带米其林大厨般,数字耳机跳过手机内部的codec,将数字信号传输到Type-C口,然后灌输给数字耳机,再在数字耳机内部进行DAC转换和放大,由此发出声音。

数字耳机的本质就是一个外置声卡,手机端只负责传输数字信号给耳机,并且给耳机供电,让耳机自己完成解码。
握手原理
如何与手机建立连接呢?
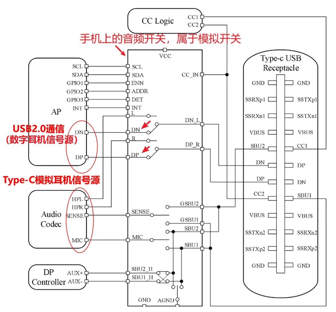
与模拟耳机不同,当前大多数Type-C接口的数字耳机是一个UFP角色,手机是DRP角色,检测到UFP的连接后会切换为DFP,并给UFP供电(OTG 5V)。
- DFP(Downstream Facing Port): 下行端口,可以理解为Host,DFP提供VBUS。
- UFP(Upstream Facing Port): 上行端口,可以理解为Device,UFP从VBUS中取电,典型设备是OTG U盘,数字耳机等。
- DRP(Dual Role Port): 双角色端口,DRP既可以做DFP(Host),也可以UFP(Device),典型的DRP设备是电脑、手机、移动电源等。
数字耳机作为UFP,其CC1和CC2引脚上需要有颗5.1K下拉电阻Rd。
手机通过CC logic检测到数字耳机,这个UFP的接入后,会把自己的角色切换为DFP,并提供OTG 5V电源给耳机供电。并且手机上面的音频开关芯片,会将传输通道切换为AP端的DP、DN,为USB信号的传输做准备。

但这里需要提一下苹果Type-C口数字耳机,苹果的数字耳机不仅能用OTG供电,也能用VCONN供电。
如果你测试过苹果Type-C口数字耳机,你会发现一个CC对地阻抗是5.1K,另一个CC对地阻抗是1K。熟悉Type-C规范的同学都知道,这5.1K其实就是Rd,1K就是Ra。根据Type-C规范提供的设备类型表,这是一个VPD设备,如下图所示:

VPD设备,vconn powered usb device,顾名思义,那就需要手机端的一个CC(接入Ra的一边,即下图中的CC2)被配置成VCONN,作为电源给给耳机供电。
如下图,手机PD控制器有个VCONN switch,可配置连接到VCONN,然后通过CC脚给Type-C外设供电。。

在Type-C规范中,VBUS和VCONN都可以给外设供电,但VBUS是一个高达20V的高压轨,适合大功率的场景,但与之匹配的,更高耐压的芯片通常也更贵。与VBUS相比,VCONN是一个工作于2.7~5.5V之间的低压轨,功率被限制在1W,适合低功率、低压的场景,更省电、更容易把成本做低。
为了不引起混淆,以下均以VBUS供电的数字耳机为例进行讲解。
内部结构
如下图,数字耳机由以下几大模块组成:
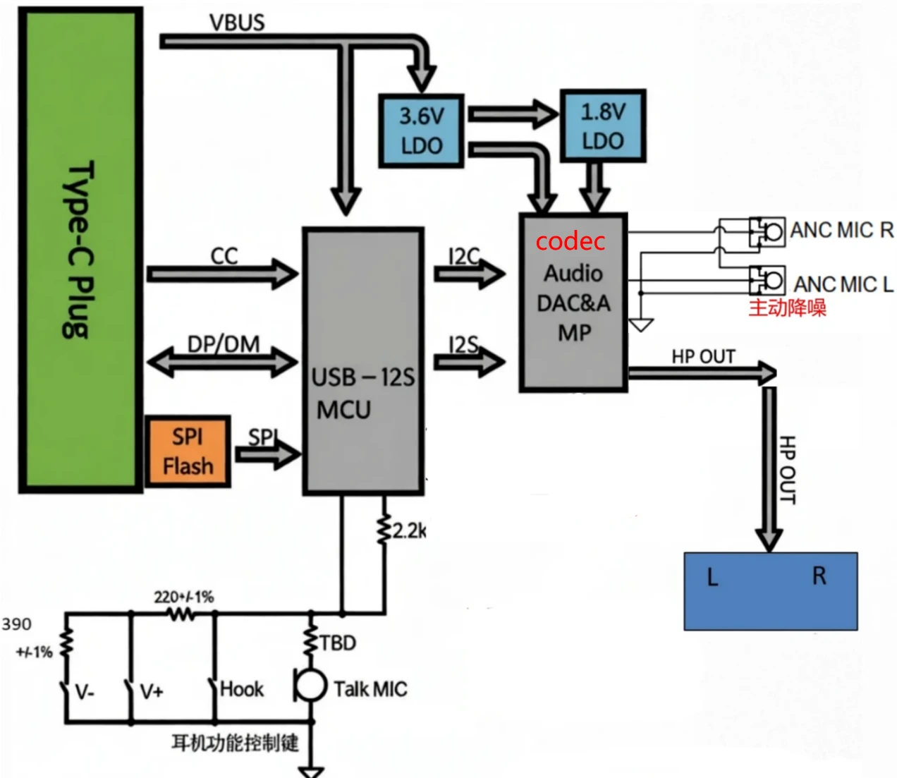
- Type-C Plug插头:通常只需要VBUS、D+、D- 、GND、CC1、CC2信号脚。
- USB-I2S MCU:将USB数字流转换为数字音频信号,并转换为I2S接口的输出。有的芯片还内置DSP功能,可在数字域进行数字信号处理,效率高、效果精准,可实现各种音效等。
- 音频DAC模块:digital to analog converter,数字模拟转换器,是数字耳机的心脏,决定将0和1数字信号转换为何种质量的模拟信号。
- 音频AMP模块:小功率耳放,将DAC输出的模拟信号放大到足以驱动耳机单元的程度。
- 电源模块:总供电来自手机的VBUS,然后经由LDO产生3.6V和1.8V电压。
- 按键检测:按键检测可与模拟耳机按键检测方案相同,按键按下后,MIC两端会展现不同的电压,由此判断按键按下,只是电压ADC采样集成在MCU上。
- 主动降噪:产生与外界噪音相等的反向声波,将噪音中和,如下图,通过ANC MIC R/L检测环境中的噪音,然后进行运算产生与噪音相位相反、振幅相同的声波,再进行叠加,最终左右声道输出的为叠加后抵消了噪声的声音信号。
- 其他周边器件:固件存储模块(SPI Flash),外部晶振XTAL,3.5mm耳机座等。

以上仅是一个例子,各家方案有细微差异,但总体上大致相同。
总结
数字耳机使得耳机厂商可以自主选择高质量的DAC和放大器芯片,使音质不再受制于手机内部芯片的质量。此外,数字信号在传输中抗干扰能力强,直到最后一刻才转换为模拟信号,堪称保鲜直送。所以数字耳机自然成了追求极致音质发烧友的心头好。
而如今火爆全场的蓝牙TWS无线耳机亦属于数字耳机,其传输的是经过编码压缩的数字信号,这货出货量迅猛,是当红辣子鸡,强势挤占了模拟耳机和有线数字耳机的生存空间。