与扬声器的功能恰好相反,麦克风(MIC)是将声音信号转换为电信号的器件。
目前市场上消费类电子产品的MIC主要分为驻极体(ECM)和微机电(MEMS)两大类型。MEMS麦克风广泛应用于手机中,甚至用到多颗,比如主MIC、副MIC及背部MIC。而驻极体MIC在手机项目上业已消退,过气了,但曾在功能机时代大展风头、红极一时。
驻极体MIC又称咪头,由声电转换和阻抗变换两部分组成,声电转换的关键元件是驻极体振动膜。
原理
驻极体麦克风因“驻极体材料”而得名,这名字听着不明觉厉,它是一种关键材料创新。
那什么是驻极体材料?
你可以把它想象成类似磁铁(永磁体)一样的东东,只不过它是永电体,是一种特殊处理过的电介质材料(聚四氟乙烯PTFE等薄膜)。通过电晕充电或电子束注入等方式,使其内部永久性地储存了静电荷,可达数年甚至数十年之久,甚至耐得过牛马的青春期。
而驻极体上的永久电荷,会在振膜和背板之间的间隙中,因平行板电容器的原理形成一个永久的静电场。这个静电场等效于其他电容麦所需外加的电压,因此,它不再需要外部提供高压电源(典型的如48V幻象电源),属于是能自给自足的类型了。

基本结构
如下图,它由一个非常轻薄的、可振动的振膜和一个固定的金属背板组成,两者之间有一个微小的间隙,构成一个平行板电容器,两端有一个固定的电压(称为极化电压)。

当声波传过来时,振膜会随之振动,而背板不动,一个负责抖,一个负责稳(正经脸)。

振膜的振动导致振膜与背板之间的距离发生变化,根据平行板电容公式:
C = εA/d,(C: 电容量,ε: 介电常数,A: 极板面积,d: 极板距离),距离d的变化会引起电容C的变化。而电容器上的电荷Q在短时间内是基本保持不变的(Q = CV),因此C变化时,电容两端的电压就必须发生相应的变化。
这样一来,声音的机械振动就转换成了电压的变化,这个微弱的电压信号就是麦克风最原始的输出。但这个电容器的输出阻抗极高(约GΩ级),电压非常微弱,极易被干扰,无法直接使用。因此麦克风内部通常集成一个JFET用作阻抗转换/放大器。
JFET的栅极连接到振膜,源极为输出信号。它需要一个小的工作电压,这个电压我们可以通过一个偏置电阻提供给它。这个低电压只是为了给JFET供电,而不是给驻极体供电,这与传统的电容麦48V幻象电源有本质区别。有关偏置电阻选型可以参考这个文章:
经过JFET放大和阻抗匹配后,便能输出一个可用的、低阻抗的音频电信号,终于能对外表达,为世所知了。
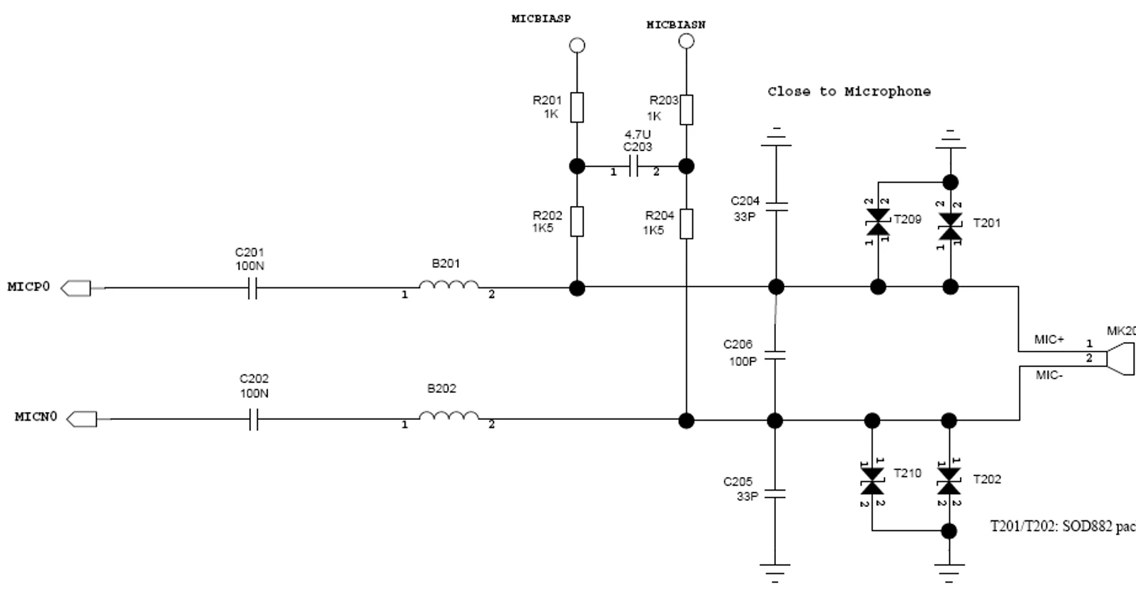
手机电路
但在手机中应用时,需要外加额外的器件来保证综合性能的实现,如下图,关键部件的作用如下:
MICBIASP和MICBIASN提供偏置电压,MIC偏置电流流向为从MICBIASP到MICBIASN,而不用公共的GND,主要是因为GND干扰太大,就像菜市场一样吵闹。
C204,C205主要为滤除射频信号的干扰。如果实际调试时发现GSM 900MHz的干扰,则使用33PF的电容;如果有DCS 1800MHz的干扰则可以使用12PF的电容;如果有WIFI 2.4GHz的干扰则使用8.2PF的电容。
C206主要是为了抑制共模信号。
C201,C202为100nF电容,主要作用为隔直通交,只对交流信号进行放大,否则放大器会因直流分量而饱和。
B201,B202为磁珠,主要滤除高频部分的干扰。磁珠等效于电阻和电感串联,但阻值和感值都随频率变化。 在特定频段具有很高的电阻率,从而表现为带阻滤波的效果。

总结
驻极体麦克风利用永久带电的驻极体材料代替外部极化电压,结合电容式声电转换原理,并通过内置的JFET放大器输出可用信号。
无需高压幻象电源,仅需低压供电,电路简单。体积小,成本低,易于大规模生产。
但缺点是底噪稍高,动态范围相对较小,故在手机中被MEMS麦克风所取代。