将两个或多个传统的Boost变换器“并联”在一起,但让它们的开关管以一定的相位差交替工作,这便是交错并联Boost。“交错”技术带来了许多优于单个Boost变换器的性能。
传统Boost变换器
首先,我们回忆一下单个传统Boost变换器的基本原理:

- 开关管导通:电感储能,电流线性上升。二极管反向偏置,负载由输出电容供电。
- 开关管关断:电感释放能量,其感应电动势与输入电压叠加,通过二极管向负载和电容供电,电流线性下降。

但在大功率应用中,输入电流,即电感电流的纹波较大。输入电磁干扰严重。对输入电容的应力大。电感体积大(为了承受大的峰值电流和纹波)。
交错并联Boost
为了解决上述问题,交错并联技术应运而生。
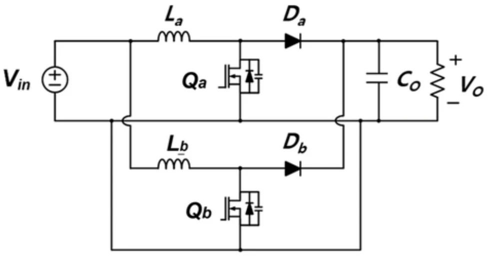
以两相交错为例,将两个完全相同的Boost变换器电路并联,共享同一个输入源和同一个输出电容负载。两个开关管Qa和Qb的驱动信号频率相同,但相位相差180度。
下图展示了一个两相交错并联Boost变换器的基本结构和关键波形:


电感纹波电流的抵消原理是:当两个通道的电流纹波相位相反时,比如一个达到峰值,另一个处于谷值,它们的和会趋于平缓。在理想条件下(占空比D=50%),两相交错的总输入电流纹波可以抵消为零,变成一个纯直流电流!在其他占空比下,总输入电流纹波也远小于单个通道的纹波。
由此带来如下好处:
- 减小了输入电流纹波,这意味着更小的输入电磁干扰,更容易满足EMC标准。
- 减小了输入和输出电容,因为需要滤除的高频纹波电流大大减小,所以可以使用更小、更便宜的电容。
- 提高了动态响应能力,两个通道交替向负载供电,纹波频率相当于单个开关频率的两倍。这使得控制器可以对两倍频率的扰动做出反应,动态响应更快。
- 总功率被分摊到两个通道上,每个通道只需处理一半的功率,降低了单个元件的热应力。
- 由于纹波减小,可以使用更小的磁性元件(电感),从而提高了系统的功率密度(体积更小、重量更轻)。
- 提升了可靠性,如果控制得当,它可以实现N+1冗余。如果一个通道失效,系统仍可以降额继续工作(尽管性能会下降)。
总结
交错并联Boost变换器通过让多个并联的Boost单元以特定相位差交替开关,利用纹波抵消效应,显著降低总输入电流纹波,从而获得在效率、功率密度、EMI和热管理方面的综合优势。
适合应用于大功率、高效率、低纹波的场合,例如太阳能光伏逆变器等。