越王勾践破吴归,义士还家尽锦衣 - 李白。
春秋末期,越王勾践被吴王夫差所败于会稽,屈辱求和,入吴为奴。回国后,立志复仇,范蠡和文种为他制定了清晰的三步走战略:
- step 1:韬光养晦,积蓄力量,对吴纳贡称臣,消除夫差戒心。暗地里,鼓励生育、发展农业、训练军队。史记中记载:“身自耕作,夫人自织,食不加肉,衣不重采,折节下贤人,厚遇宾客,振贫吊死,与百姓同其劳。”
- step 2:内政外交,瓦解敌人,对内,任用文种、范蠡修明政治;对外,施用美人计(西施)、离间计,贿赂吴国佞臣,促使夫差杀掉伍子胥,诱导吴国北上中原争霸,耗尽国力。
- step 3:伺机而动,一举灭吴,趁吴国北上与晋国争霸,国内空虚之际,发兵攻吴。最终围困吴都姑苏,逼迫夫差自杀。
类似地,元末天下大乱,群雄并起,朱元璋统一天下也有清晰的三步走战略:高筑墙(巩固根据地),广积粮(发展经济,储备物资),缓称王(低调行事,后发制人)。
上述两个例子深刻的体现了中国人智慧,可以总结为:
- 不追求一蹴而就,而是稳扎稳打,循序渐进,每一步都为下一步打下坚实基础。
- 每个阶段都有清晰、可执行的目标,最终指向宏大的总目标(称霸、复仇、统一)。
- 强调在力量不足时隐忍,在时机成熟时果断出手。
而在电源领域,有一种三电平Boost拓扑也有上述“三步走”的味道。我们先从传统Boost变换器说起。
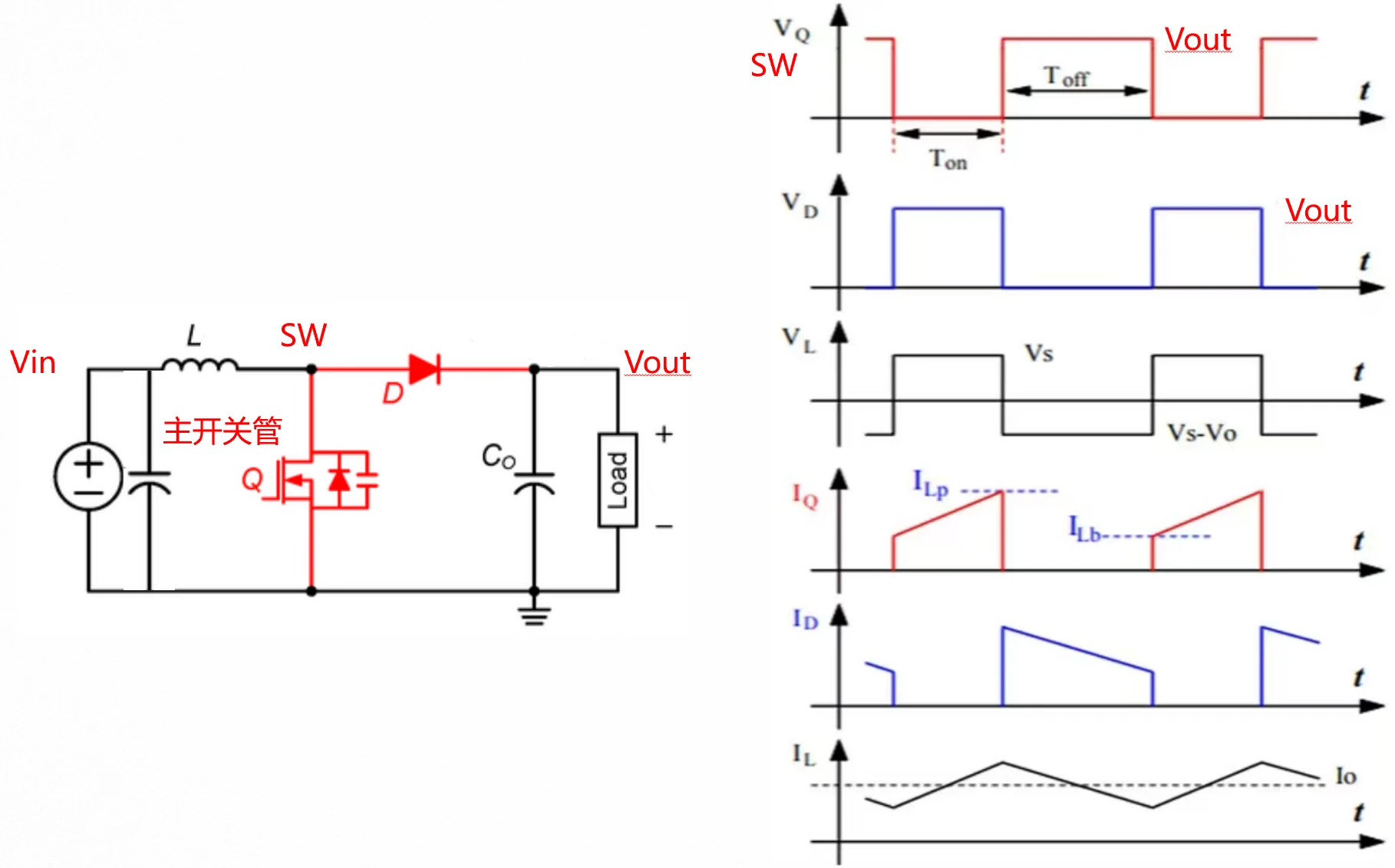
传统Boost变换器
传统的Boost电路的开关节点SW电压只有两种电平,即0和Vout。

- 开关管导通:电感储能,电流线性上升。二极管反向偏置,负载由输出电容供电。
- 开关管关断:电感释放能量,其感应电动势与输入电压叠加,通过二极管向负载和电容供电,电流线性下降。
传统Boost小功率、低压应用问题不大,但在大功率、高压应用中有瓶颈:输入电流(电感电流)的纹波大、电磁干扰严重、输入电容的纹波电流应力大、开关损耗大,电感体积大(为了承受大的峰值电流和纹波)。
3 level Boost
而业界的飞跨电容型三电平拓扑通过飞电容产生了第三电平。将升压电感、开关管和二极管两端的电压应力降低到传统Boost的一半。同等条件下,所需的电感量仅为传统Boost电感的一半,因此减少了电感的体积和成本。
飞跨电容型三电平boost电路示意图如下图:

首先,我们要知悉:控制芯片通常自带平衡电路,Cfly上面的电压将在Vout电压的一半,即Vout/2处平衡。此外,为了方便描述工作过程,我们假设电路工作在电流连续模式。拓扑中的开关管S3和S4驱动脉冲的相位差为180°,但占空比相同(请注意,与互补控制相区别)。
其工作过程包含4种Phase:
Phase 1:开关管S3和开关管S4同时开通,输入对电感L进行充电,电感电流线性上升,此时开关节点SW的电压为0。

Phase 2:开关管S3导通,其他开关管关断。因为电感电流方向保持不变。因此,S1的寄生二极管VDS1开通,输入电源流经L、S3、Cfly、VDS1、Cout,然后对外输出,SW节点的电压为:Vout - Vclfy ≈ 1/2Vout。

Phase 3:开关管S4导通,其他开关管关断。因为电感电流方向保持不变,S2的寄生二极管VDS2开通,输入电源流经L、VDS2、Cfly、S4,SW节点的电压为Vclfy ≈ 1/2Vout。

Phase 4:开关管S1、S2、S3、S4均关断。但因为电感电流方向保持不变,因此S1与S2的反并二极管VDS1、VDS2均开通,输入电源流经L、VDS2、VDS1到Cout,SW节点的电压为Vout。

综合Phase 1~Phase 4可知,当Vcfly=1/2Vout时,并且在电感电流连续的情况下,SW节点为一个三电平电压,含有三种状态,进一步推导可知:
- 当占空比<0.5时,因为S3和S4的控制脉冲是移相180度的关系,整体包含状态就是:S2导通、S3不导通;S2不导通、S3导通;S2、S3均不导通,所以SW电压1/2Vout和Vout之间切换;
- 当占空比>0.5时,整体包含状态就是:S2导通、S3不导通;S2不导通、S3导通;S2、S3均导通,所以SW电压在0和1/2Vout之间切换。

如下图,因为SW节点含有三种电平状态,所以被称为三电平Boost。

三电平Boost有如下关键优势:
- 电压应力减半,每个管子在关断时只承受Vout/2的电压。使得我们可以选用耐压更低、开关速度更快、导通电阻更小的器件。因为每个器件的电压应力只有Vo/2,所以在开关过程中,电压电流的交叠面积更小,开关损耗更小。总体上可提高电源功率密度。
- 等效开关频率加倍,由于S1和S2是交错控制的(相位差180°),电感电流的纹波频率是单个开关管开关频率的两倍。可以减小电感L的体积和成本,输出电压的纹波也更小。
但缺点是:
- 元件数量多,增加了电路的复杂性和成本。
- 控制复杂,需要生成两路交错的控制信号,并确保fly电容电压平衡,如果不平衡,会导致某个开关管承受过高的电压应力。通常需要集成电压平衡控制算法。
总结
3 level boost是一种通过增加元件数量和复杂性,来换取高压应用中,更低器件应力、更高效率和更小元件体积的拓扑方案。天然地适合作为光伏发电、燃料电池等系统中的前级升压电路,因为这些系统需要将几百伏的直流电压升压到800V甚至1000V以上以供后级逆变器使用。
其实本文档中,S1和S2从头到尾用的都是寄生二极管,因此可以直接用二极管取代。

但是,根据我在从业阶段和高通FAE的沟通,高通的PMIC charger是3 level buck,具备了四个管子和飞电容管脚,反过来用就是3 level boost了。也就是说高通的OTG,其硬件囊括了3 level boost,只不过没有开发而已。从元件复用的角度,画成MOS管比较合适。

参考文献:陈 挺等,飞跨电容型三电平电路在超级电容能馈系统中的应用研究。我觉得原文有些错误的地方和不容易理解的地方,对此加以了修改。