石敬瑭遣间使求救于契丹,令桑维翰草表称臣于契丹主,且请以父礼事之,约事捷之日,割卢龙一道及雁门关以北诸州与之。 - 《资治通鉴》
燕云十六州扼守燕山和太行山,地势险峻,易守难攻,是华夏大地与北方草原之间的天然屏障。一旦陷落,北部边疆将无险可守,胡人铁骑长驱直入,旦夕即可饮马黄河,危及中华腹心。
石敬瑭出让燕云的举动,使得此后的中原王朝在与北方游牧民族的对峙中,始终处于劣势地位。两宋三百余年的外患,包括之后的靖康之耻,北宋覆灭,宋室南迁,也与此脱不了干系。直到四百年以后,徐达率军合围元大都,元顺帝连夜北逃,燕云地区才真正回到中原王朝手中。
在手机的音频设计中,有一种名叫“TDD noise”的噪声,在TDD(时分双工)模式下,射频功放会间歇性地大功率发射信号。这种周期性的电流突变会通过多种途径干扰音频模块,就像割让燕云之后的华北大地暴露在契丹、金朝、蒙古铁蹄之下一般。
背景
这一切的万恶之源,需要从GSM通信说起。
GSM,Global System for Mobile Communications,全球移动通讯系统,俗称“全球通”,由欧洲开发的数字移动电话网络标准。它的目的是让全球各地共同使用一个移动电话网络标准,让用户使用一部手机就能行遍全球,故称全球通。
GSM在无线接口上采用时分多址技术(TDMA),语音或数据信号采用高斯最小频移键控(GMSK)方式进行调制,信道编码主要采用卷积码,世界大部分地区采用900MHz和1800MHz频段。
当GSM射频功放被激活后,它根据所选的信道在每个TDMA帧的某个时隙里生成900M或1800M的信号,通话过程中每帧只能占用同一个时隙。一个TDM 帧的时间是4.615ms,那么这4.615ms所对应的频率便是217Hz(1/4.615ms)。
如下图,不论从时域还是频域,均能看到217Hz这个关键频点。

问题是它像社交悍匪一样,它是工作了,但它动静太大,不管周围死活。当它工作时所产生的217Hz干扰通过传导或辐射耦合到音频模块时,非常容易在音频结果中(录音文件、扬声器外放等)产生人耳可听噪声。
众所周知,人的耳朵的听觉范围为20Hz~20KHz,217Hz落在人耳可听到的范围,直观上将听到“哼哼”或“嗡嗡”的声音。而且这种干扰不可避免,只能尽量减小。
TDD传导噪声解决方案
所谓传导,可以理解为通过“线”的路径串过去,因此要重点保护好音频模块的供电、下地,使之不被干扰,大致包含以下要点:
- 供电端去耦
GSM射频PA突发工作时,会抽取大量电流,由于电池内阻以及PCB走线阻抗的原因,电池的输出会有217Hz的跌落,而其他模块的供电归根到底都来自电池,因此这个跌落导致供电变脏,有可能会串到整个电路板上。

因此要求音频模块电源端要有充足的去耦电容,电源要干净。
此外要注意星形走线,如下图,在PCB layout时,各个模块分别直接从电池上引线,而不要从一个干线上引线,这样可减少因公共电源线所带来的耦合性干扰。

- 注意共地干扰
保护好音频的地以及滤波网络的地,不要在表层接地,尽量直接下主地,并且音频地的回流路径要避开RF区域,防止被带坏。
TDD辐射噪声解决方案
除了传导干扰,还有另外一种形式的干扰,即辐射干扰,射频干扰以天线形式对外辐射出射频能量,干扰到音频走线、音频器件时,便会产生人耳可听噪声。因此要求:
- 音频模块远离天线净空区和辐射区
正所谓惹不起就躲得远远的,将音频走线、音频器件移出天线净空区和辐射区,远远的隔开,老死不相往来。
- 屏蔽与保护
可以给音频器件额外加屏蔽罩保护,进一步隔绝外部的电磁风暴,如下图所示:

音频线路走内层,差分走线 + 立体包地,示意图如下图:

- 滤波
在信号线路上合理设置滤波元件,比如滤波电容、磁珠或RC滤波等,但器件的选取很考究。比如不同容值、材料的电容,谐振频率不一样,可以用来滤掉特定频率的干扰,所以很多地方滤波都有大大小小不同容值电容并联。
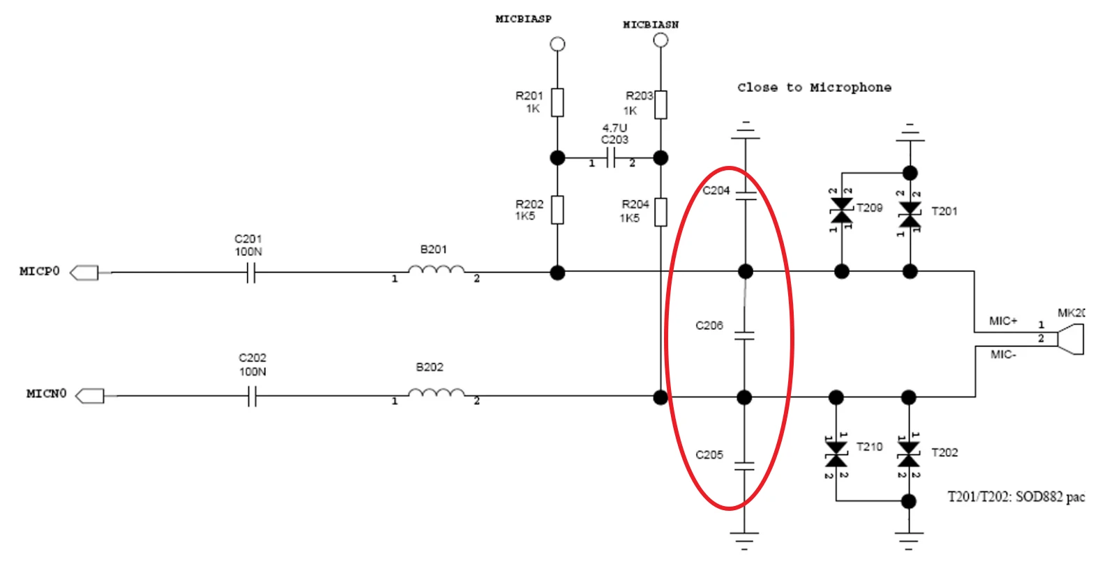
如下图,某麦克风电路设计,通过选择合适的电容,可滤除TDD noise杂波。在麦克风两端分别对地加电容滤除共模干扰,两端之间再加一电容滤除差模干扰。通常900M下有干扰就上33pF电容;1800M有干扰就上12pF电容。


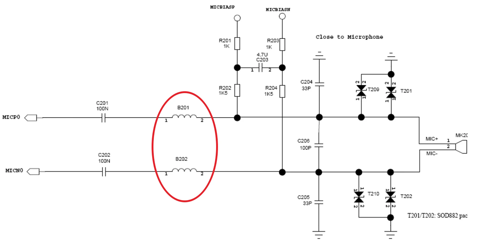
有时候也会根据所需要滤除的射频频段,选取对应的磁珠,将射频干扰的能量以发热的形式消耗掉,如下图所示。


总结
总之,就是通过一套组合拳,该躲的躲、该罩的罩、该滤的滤,便最大程度上保护音频免受TDD noise干扰。