夫韩信,旧楚帝国流浪汉出身,少年坎坷,受胯下之辱。然用兵神奇,先知先觉,留下“韩信将兵,多多益善”典故为世人所知。
多相Buck是一个非常重要的电源架构,在高性能计算设备中无处不在。以手机为例,手机处理器的供电需求有两个特点,即低压和瞬间爆发力。低压是平台低功耗的趋势决定,低压化有利于降低功耗。而瞬间大电流抽载是为了实现强劲的计算能力,一个处理器集成了上亿颗的MOS,没有草料,马儿跑不起来。
而多相Buck,即多路交错并联同步Buck,被认为是此类应用场景的最佳解决方案,称的上是手机里的幕后英雄。
常规Buck
常规的Buck,即单相Buck变换器,结构非常简单,如下图:

通过开关管将输入电压斩波成方波,再经过LC滤波器平滑成较低的直流电压。通过反馈环路(Feedback Loop)调整开关的占空比来稳定输出。
但如果负载功率不断增加,或者负载电流剧烈变化时,单相Buck会遇到瓶颈,它将摇摇欲坠:
- 需要体积非常大、饱和电流非常高、昂贵的功率电感,否则会产生显著的I²R损耗、也非常容易饱和。此外需要非常宽的PCB来承载大电流走线。
- 动态响应慢,当负载电流剧烈变化时,导致输出电压出现较大的波动(纹波)。
- 电感上的纹波电流大,对输入和输出电容的要求很高,容易导致大的纹波电压。
多相Buck
技术的突破来自理念的突破,三个小个子,顶的过大力士。与其用一个巨大的开关电路提供全部电流,不如用多个较小的、完全相同的Buck电路并联起来,共同分担负载电流。这便是多相Buck的核心理念。
但如何让多个Buck完美协同呢?
关键在于交错相位(Phase Interleaving),即它们的PWM控制信号是同频率但不同相位的。
2相,相位差180°;3相,相位差120°;4相,相位差90°,以此类推...。
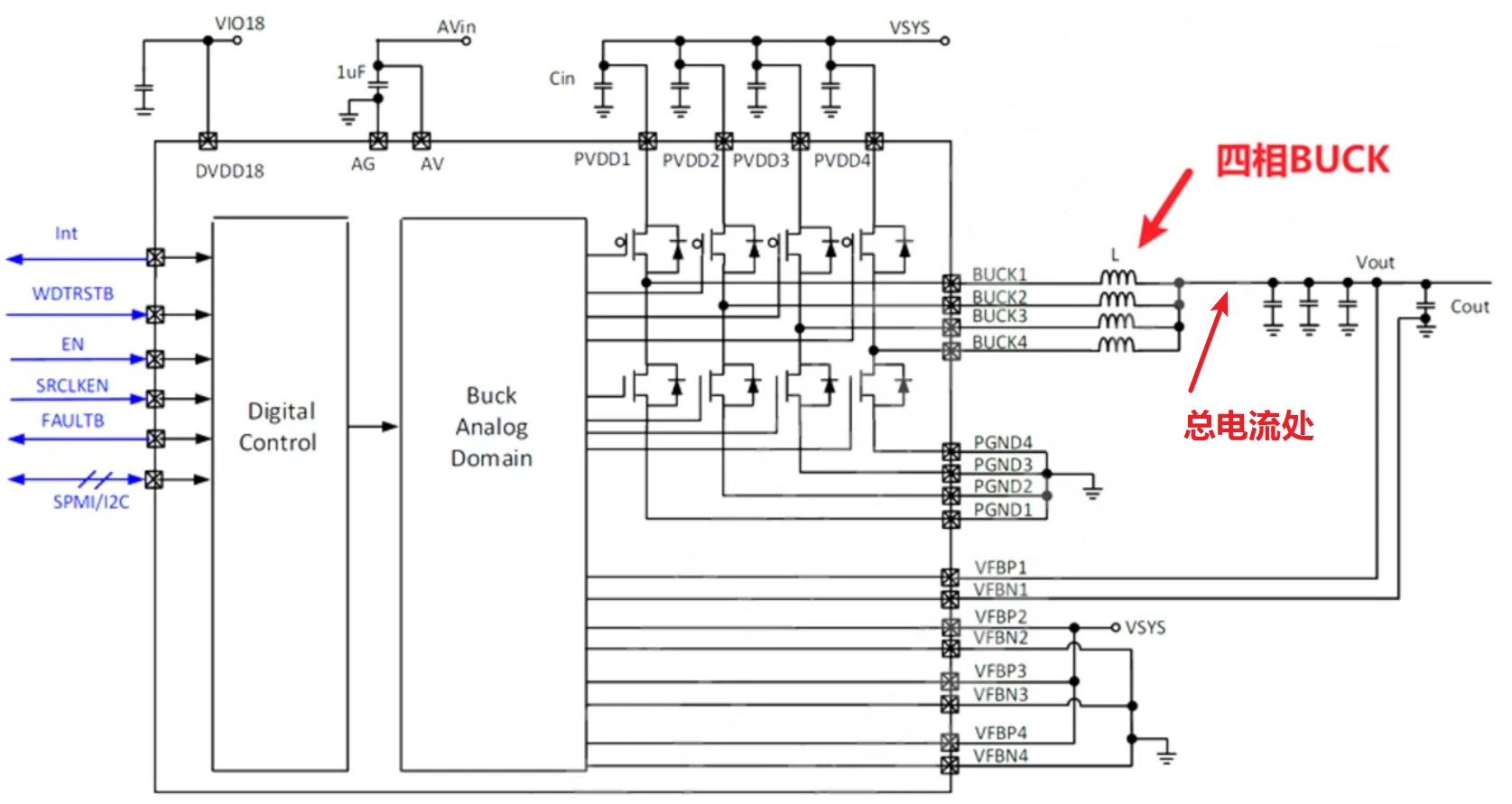
下面以一个四相Buck为例,展示其结构框图、工作过程及波形。
可见该四相Buck包含了:
- 主控部分,包含了模拟模块和数字模块,负责输出电压反馈、误差放大,并生成4路带有相位延迟的PWM信号
- 4个独立的功率MOS上桥+MOS下桥
- 4个功率电感
- 4个输入电容(也可以砍掉一些,可根据PDN仿真定夺,但需要有个认知:Buck的输入电容非常重要)
- 共享的输出电容


请观察波形图中的总电流波形,不难看出,每一相相位交错,各相电感电流的波形峰谷在一定程度上相互抵消,使得总电流处纹波电流小的惊人,相当于提高了开关频率,因此多相Buck具有如下优势:
- 每相只承担总输出电流的 1/4,可以使用体积更小、感值更小、更便宜的电感,分布式散热,热源更均匀,易控。
- 显著降低输出纹波,这是带来的最大好处之一,由于在时间上被错开,它们在输出电容处会相互叠加并抵消。由于各相电感电流纹波在输出电容处相互抵消,ΔIL*ESR(ESR为输出电容的内阻),使得输出电压的纹波远小于单相系统。这意味着可以用更小的输出电容来达到同样的纹波要求。
- 极快的瞬态响应速度,当负载突然增加时,所有相可以同时被激活来提供电流,实现更高的di/dt,响应速度嗖嗖的。使得输出电压的跌落(Sag)或过冲(Overshoot)更小,恢复更快,这对于喜欢瞬态抽载的现代处理器至关重要。
但世间没有完美的技术,多相Buck也有其代价:
- 更高的复杂性、更多的器件和成本,控制芯片非常复杂,需要集成多路PWM、电流检测和平衡逻辑。控制环路的设计也比单相系统复杂。
- 更为严格的设计和布局要求,为了实现均流,每一相的PCB走线长度和阻抗必须尽可能对称,否则会导致电流不平衡,使某相过热,整体性能打折扣。
总结
通过分而治之和交错抵消的策略,多相Buck实现了更快的响应、更低的纹波和更好的散热,是现代大功率、高动态负载芯片供电的基石技术,像是电源界的超级英雄。
对于低功率应用(如几安培以下),多相Buck的优势不明显,其额外的复杂性和成本是不划算的,犹如杀鸡用牛刀。它主要用在需要数十安培乃至数百安培电流瞬态抽载的场合。