绿厂是直充技术的开创者和引领者,绿厂对该技术的研发、市场推广均可称为行业标杆。
偶然在网上看到过绿厂初代直充电路的电路图,清晰度一般,但勉强也能看清,于是尝试对电路图做解读,本人内心尊敬踏实做技术的企业。
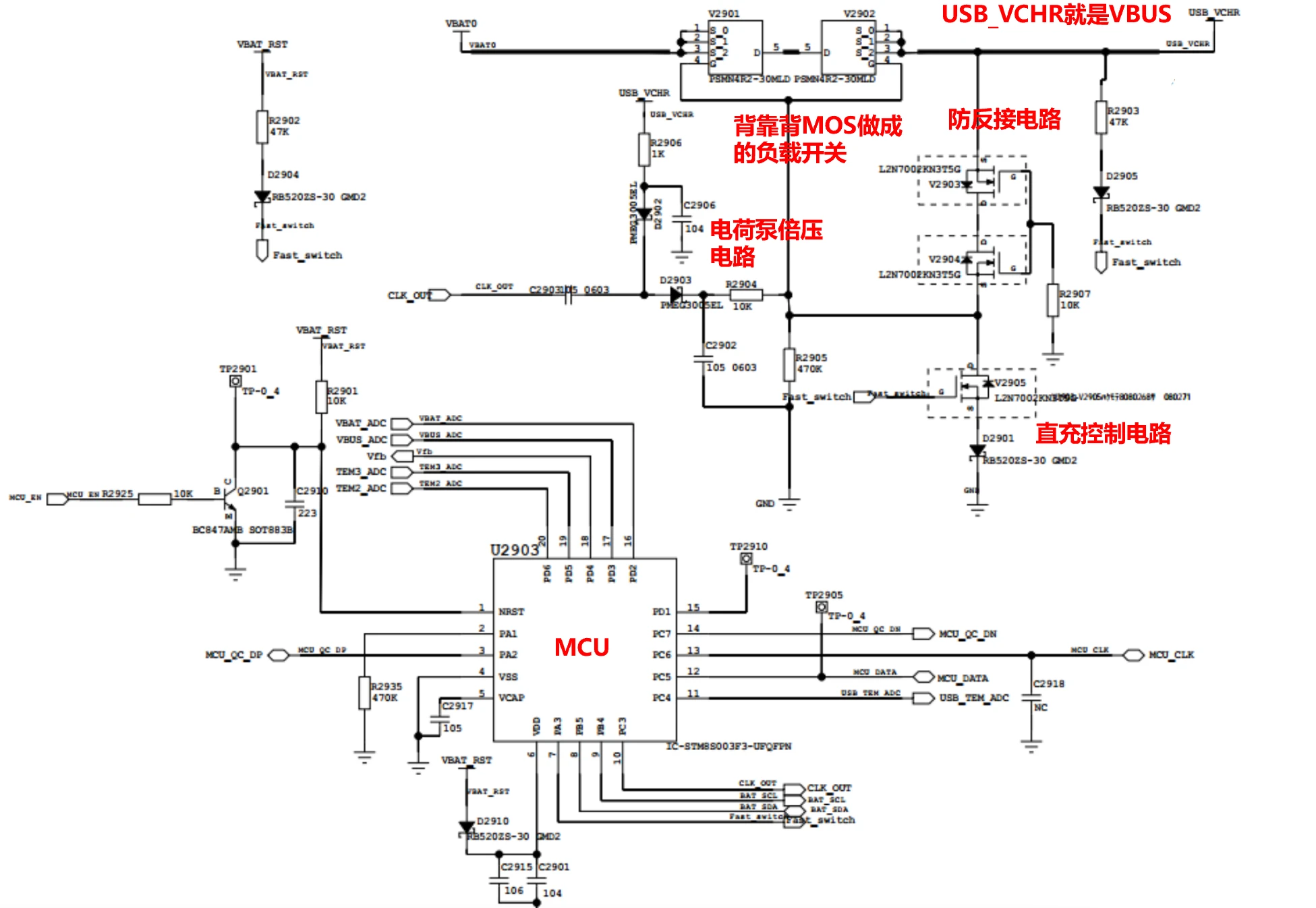
怕读者不懂,在此先简要介绍下直充。direct charge,顾名思义就是“直接充电”。“直”体现在充电器的输出直接进电池(当然中间还有个负载开关,但阻抗很小,仅起到控制通路通断的作用),手机端无降压变换过程。因此实现了超高的效率,减小了充电发热,缩短了充电时间。此外,因为效率很高,如果用户边玩手机边充电,不烫手!

下面分模块进行解读。
快充控制单元
STM8单片机作为主控。

电荷泵倍压电路
因为直充背靠背MOS是位于高端的,MOS的栅极电压必须比源极电压高才能控制MOS的通断,因此需要把VBUS(USB_VCHR)电压泵上去,作为栅极电压。
绿厂使用了电荷泵倍压电路,为了方便叙述,以下将二极管的压降忽略。
A点,MCU的CLK_OUT输出频率为1MHz,占空比为50%的方波,电平大小约为VBAT(单片机由VBAT供电)。方波为低时,USB_VCHR通过R2906、D2902给C2903充电,将C2903两端电压约充到VBUS;方波为高电平时,因为C2903电容两端电压不能突变,导致B点电压抬升,约抬升至VBUS+VBAT的电压。
B点电压再通过D2903进入RC电路(RC的时间常数远大于方波周期),随后变成平稳电压,约为7~8V。综合下来MOS的VGS约为3~4V,便能正常控制MOS了。

防反接电路
防反接电路就像门卫一样防止坏人进入,原理如下:
反接时,USB_VCHR将为负压,那么下图中的防反接背靠背MOS因为VGS>vth而导通,使得直充背靠背MOS的VGS=0,直充背靠背MOS关闭,从而关断直充。

防误导通电路
为了防止扣电池或者插入适配器时,直充MOS误导通,当电池和适配器电压存在时,必须首先确保直充MOS是关闭的。
VBUS和VBAT均有通过电阻和二极管连接到Fast_switch网络,即V2905的栅极。VBUS和VBAT任何一个在位都会导致V2905导通,从而使直充MOS关断。
MCU通过发出的Fast_switch高低电平来控制V2905 MOS,从而控制直充MOS的开通关断。
