摄像头越做越高清,随之而来的短时间内传输大量数据便成为一个挑战,而MIPI协议便可以解决这个问题,MIPI协议为移动设备内部组件之间的通信互连提供了灵活、低成本、高速的串行接口解决方案。
在手机摄像头通信领域,MIPI提供了D-PHY和C-PHY两种协议。

MIPI D-PHY
D-PHY可用于AP和显示屏或摄像头等内部组件之间传输数据,早期摄像头的参数还没有堆的那么猛,D-PHY中的CSI-2可用于手机摄像头图像和视频数据传输。
D-PHY本身只定义电气特性、时序、线状态和模式切换,它不定义传输的具体数据格式或含义,它和C-PHY一样都是物理层。
D-PHY采用独立的差分时钟通道和1~4对差分数据通道进行数据传输。支持高速(HS)模式和低功耗(LP)模式:HS模式用于传输高速数据(如视频流),LP模式则用于传输控制命令和待机。

每条数据通道(Data Lane)由一对差分信号线(Dp、Dn)组成,高速数据传输时,这对线上的信号相位相反。接收器检测两者之间的电压差来判断是逻辑1还是0,这带来了如下好处:

- 抗噪性能强,外部共模噪声(同时作用在两根线上的噪声)会被差分接收器抑制掉;
- 低EMI,由于两根线产生的电磁场倾向于相互抵消,辐射干扰较低。
- 低功耗,差分信号通常使用较小的电压摆幅(如200mV),进一步降低功耗。
- 高速,每条数据通道的HS模式速率范围很广,从早期的80Mbps到最新规范(如D-PHYv3.0)的4.5Gbps per lane。通过增加通道数量(通常是1,2,4 条数据通道),可以扩展总带宽。
低功耗模式(LP Mode)发生在待机、控制命令传输或低速数据传输时。LP模式下,Dp和Dn线不再是差分对工作,而是作为单端信号工作(通常参考一个共模电压)。数据传输速率低(通常10Mbps),功耗极低。
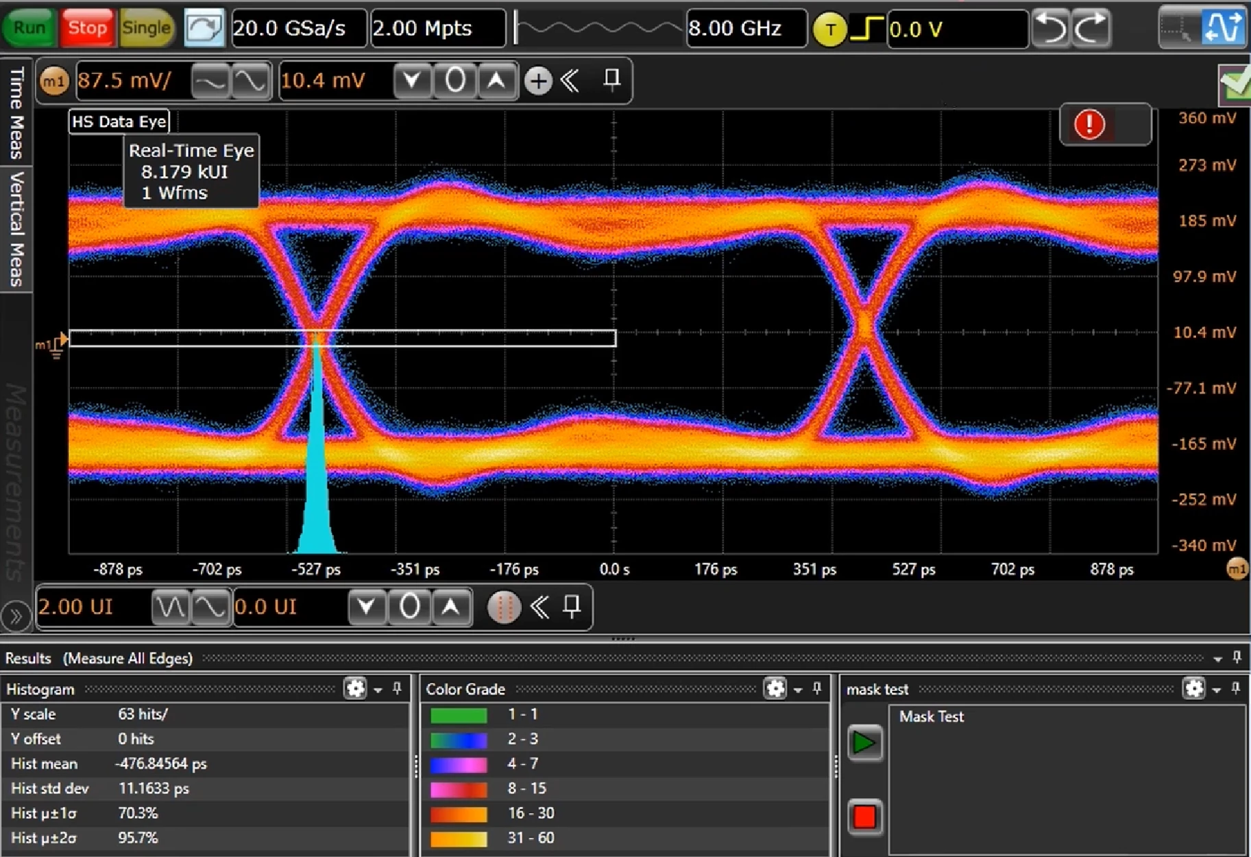
MIPI-D-PHY的实测波形↓:

MIPI C-PHY
由于摄像头越做越高清,信息量越来越大,因此数字通信传输速率需要进一步提高,业界引入了C-PHY。
结构上,一个C-PHY链路包含M个通道(lane),手机摄像头通常为3个lane,每个lane由三根线(A,B,C)组成,没有时钟线。
当前大部分手机摄像头与处理器传输数据,走的就是C-PHY。


与D-PHY相比,C-PHY引入了三线传输、新的时钟机制,无需专用的时钟通道,时钟信息嵌入在C-PHY的三线信息流中,工作原理总结为:
- 符号转换,时钟接收端通过检测有效符号之间的转换(Symbol Transition)来提取时钟信息。
- CDR电路,接收器内部包含一个时钟数据恢复电路,该电路持续监视接收到的三相符号序列。
- 恢复时钟,CDR电路分析符号流的转换频率和模式,从中恢复出与发送端原始时钟信号相同步的时钟信号。
- 数据接收,接收端使用这个恢复出来的时钟去采样和解码三根线上传输的符号流。

C-PHY设计另一个精妙之处:在传输状态下,三条线上电压状态之和是恒定的,带来的好处是:
- 极低的电磁干扰,因为总电流在驱动端和接收端之间是恒定的,回路电流变化极小,产生的电磁辐射低。
- 优异的抗噪性,共模噪声(同时影响三根线的噪声)会被天然地抑制,因为接收机检测的是线之间的相对电压差,而不是绝对电压。
- 功耗的降低,恒定的电流有助于简化电源设计并降低动态功耗。
C-PHY的三线制相比D-PHY,PCB走线数目减小,有利于缩减主板面积。相比D-PHY,共模滤波器也很简洁(数量少)。

MIPI-C-PHY的实测波形↓:

最后,将D-PHY和C-PHY的特性对比总结如下:
