如果手机项目使用的是单电芯,则不涉及均衡,如果是双串电芯,则必须考虑电池的均衡。不均衡表现为串联时的两节电池电压不相等。

电压不相等是各节电池满充容量不均衡、或各节电池SOC不均衡、或电池内阻不均衡等内在原因的外在表现。
- 当满充容量不同的电池串联在一起时,串联充电电流相同,但满充容量小的那个电池会先充到更高电压。
- 即使满充容量相同,但SOC不同的电池串联在一起时, SOC高的那节电池的电压偏高。
- 即使满充容量相同、SOC 相同,但各节电池的内阻不同,则在充放电时压差不同,也会导致电池端电压不同。
- 此外,一些外部因素(比如电池组局部受温或个体电池之间热不均衡)也会导致个体电池老化速率不同从而内阻不均衡。
最终都可能表现为各节电池电压不相等。
电池不均衡会影响手机续航时间和电池循环寿命,表现为如下两个方面:
- 木桶效应,串联电池的整体可用容量取决于容量较低的那块电芯。假设A电芯容量为2400mAh,B电芯容量为2600mAh。当放电到手机没电时,实际上是A电芯先被放空至截止电压(如3.0V),而B电芯还有电。为了保护A电芯不过度放电(这会严重损害电池),系统必须关机。此时,B电芯的剩余电量就无法被使用,导致总续航变短。
- 在充电时,容量较小的电芯会更快达到满电电压。如果继续充电,这块电芯就会过充,导致内部压力增大、发热加剧,长期如此有鼓包甚至热失控的风险。
为了延长电池续航时间、延长电池循环寿命,需要对双串电池进行均衡管理。均衡的目的,就是主动消除两块电芯之间的电压/容量差异,让它们尽可能地步调一致。
被动均衡
最简单的均衡电路就是负载消耗型均衡,也被称为被动均衡,广泛应用于手机项目。就是在每节电池上并联一个电阻,并且串联一个开关做控制。

当某节电池电压过高时,打开开关,充电电流通过电阻分流,这样电压高的电池充电电流小,电压低的电池充电电流大。当然这种方式只能适用于小容量电池(比如手机)的均衡,对于大容量电池(比如电动汽车)来说是不现实的。
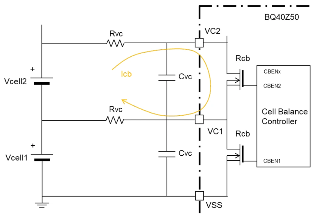
TI的电量计中集成了均衡功能,如下图所示:

一般均衡电流不会很大(几mA、几十mA等)。
由于均衡电流路径与电芯电压采样路径共用同一路径 VCx,所以需要对均衡开关采用占空比(Duty)方式周期性导通和关断,把均衡和采样分开,避免均衡动作影响电芯电压采样。
主动均衡
这是一种更高级、效率更高的技术,但在手机中应用相对较少,主要见于电动汽车、大型储能系统。
其原理是能量的“移多补少”。将电量较多的那块电芯的能量,通过电容、电感或微型变压器等储能元件,转移到电量较少的那块电芯中。可以在充电、放电甚至静置的任何阶段进行。
能量效率高,几乎没有浪费。均衡电流可以做得更大,均衡速度快。
但缺点是电路复杂,成本高,占用空间大,控制算法复杂。