不同于常规的单电池项目,有的手机项目(典型为折叠屏手机)使用两颗电池,且两者通常是并联的关系但容量不同。那么为这种电池充电,有哪些地方需要认真考虑呢?

两块电池容量不等,再叠加上两边的走线阻抗存在差异,如果直接进行并联充电,如下图所示,容易导致充电时的电流存在偏差,即流入到大电池的电流Ibatl和流入到小电池的电流Ibat2的大小存在显著差异,进而导致:
- 充电时,A充满了但B未充满,此时还得充,但如果A长时间处于浮充状态,容易出现过充问题,对电池寿命以及可靠性均有影响;
- 放电时,A的电量己放空而B未完全放空, 此时要不要关机呢(关机策略通常同时考虑电池电量和电池电压),B未放空却关机会导致电池的利用率低。

可能有人会说,对每个电池均配备独立的充电IC,不就行了吗?这确实是性能最好、也最安全的方案,但是成本高。
因此,针对容量不等的双电池系统,在单充电IC的情形下,最好能加上一道控制,使其充电通路的通断可由AP控制,让两块电池之间不互相伤害,皆能实现各自的预期。
业界双并电池的充电管理方案较多,下面简单介绍两种方案。
方案一:背靠背MOS控制
充电五分钟,通话两小时,如下图,绿厂的折叠屏手机曾经使用过该方案。使用背靠背PMOS做开关,背靠背开关也可以换成负载开关,这样保护性更完备。

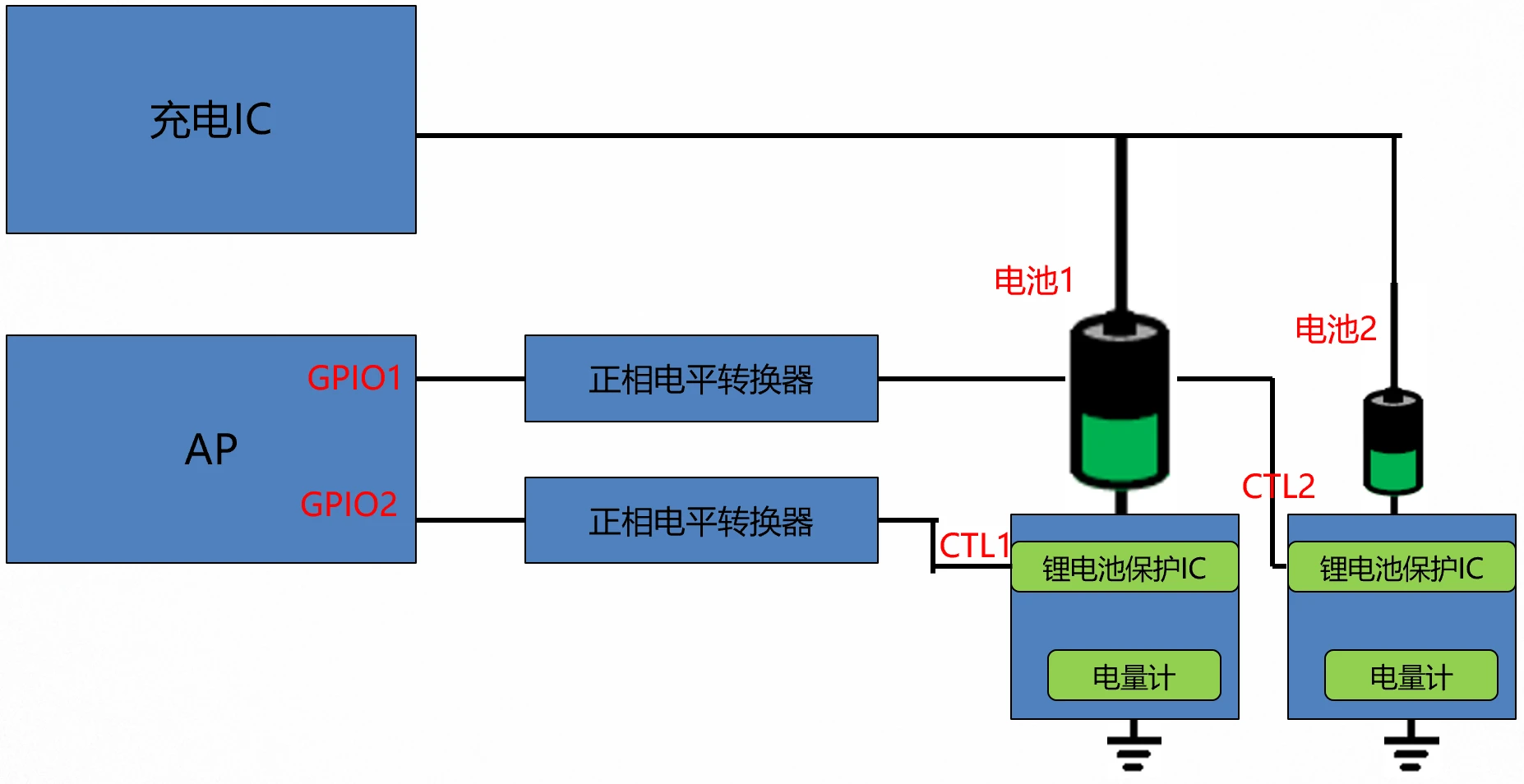
方案二:电池保护IC控制
如下图,也可以选用带有CTL功能的锂电池保护IC。
当一个电池充满后(通过电量计判断),该电池对应的GPIO拉高,然后信号经过电平转换器,给到锂电池保护IC的CTL脚,锂电池保护板上的充电MOS断开,充电通路由此被断开。

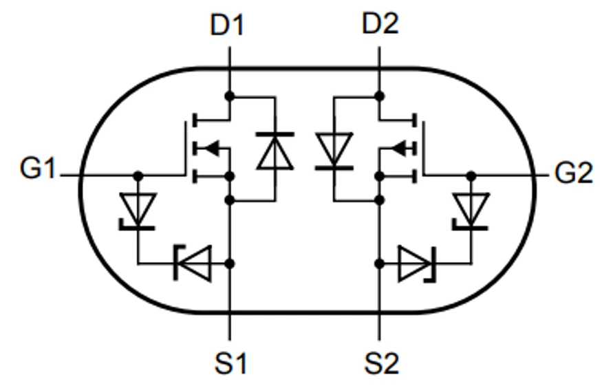
如下图,为带有CTL功能的电池保护IC示意图。所谓CTL,意思是可以通过外部的GPIO控制保护IC的放电MOS(FET1)和充电MOS(FET2)断开。
- 当CTL端子接高电平时,保护IC会关断充电MOS和放电MOS,进入充放电禁止状态。
- 当CTL端子接低电平时,即可解除充放电禁止状态,CTL脚内部通常有下拉,正常状态下为低电平。


由于AP GPIO的高电平通常为1.8V,不适合电池的电源域(3.2~4.45V),故需要进行电平转换,电平转换电路如下所示:

为了降低成本和减小布局面积,业界有专门的芯片内部同时集成NMOS和PMOS,如Nexperia的PMCXB900UE,内部框图如下图所示,可用于该场景。

总结下,每个电池均通过读取电量计的满充标志位作为电池是否充满了的判断,如果认为此电池充满,便将此电池对应的CTL拉高,此电池充电通路便断开了,另一颗电池继续充电,直至达到充电IC的充电截止条件,便总体退出充电状态了。
总结
涉及到把事情做的很细,才会叠加上述这些控制方案。
业界也有大小电池直接并联的,他们认为充电的最后阶段是恒压充电,比如限定4.45V恒压充电,不会把电池充到超过4.45V;放电的时候改由关机电压限定最小电压,电池也不会过放,电池并联在一起,电池也会自己平衡。